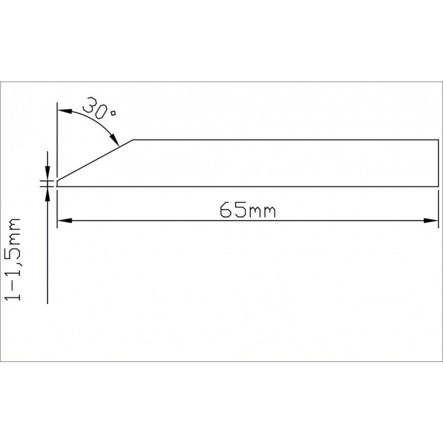
Hardox / Brinar 500 knife cutting flat L = 1000mm B = 65mm
Warmumformung
Der Stahl ist ohne zusätzliche Wärmebehandlung bei bis zu 250°C warmumformbar.
Spanende Bearbeitung
Bohren mit Schnellarbeitsstählen HSSCO. Fräsen mit HMWerkzeugen mit negativem Spanwinkel. Schmierung mit
Emulsion. Die Schneidparameter sollten den Materialeigenschaften angepasst sein.
Trennen
Autogen-,Wasserstrahl-, Plasma- und Laserschneiden
Bei thermischen Trennverfahren sollte eine Werkstofftemperatur von 15° C nicht unterschritten werden. Bei Blechdicken größr
15 mm ist auf mindestens 100° C vorzuwämen.
Schweißen
Der Stahl ist grundsätzlich für alle bekannten Schweißverfahren geeignet. Die Werkstofftemperatur sollte beim Schweißen
mindestens 15° C betragen. Darüer hinaus wird empfohlen, unter Beachtung z. B. des Schweißrozesses, der kombinierten
Blechdicke, des Eigenspannungszustands der Konstruktion, der Streckenenergie und des Wasserstoffgehalts des Schweißguts,
vorzuwärmen. Die notwendigen Vorwärm- und Zwischenlagentemperaturen ergeben sich in Anlehnung an die entsprechenden
Regelwerke wie z. B. SEW 088 und EN 1011-2.
Die Vorwärm- und Zwischenlagentemperaturen sollten 250° C nicht überschreiten, die oben genannten Parameter sind entsprechend
anzupassen.
Der Eigenspannungszustand der Konstruktion sollte durch eine geeignete Schweißfolge optimiert werden. Besondere Sorgfalt
ist bezüglich der Wasserstoffaufnahme notwendig. Die Umgebung der Schweißung sollte also frei von Verschmutzungen und
Feuchtigkeit sein. Zur Verminderung der Kaltrissgefahr empfiehlt sich auch eine direkt folgende Nachwärmung aus der Schweißwärme
über 2 h bei 250° C.
Schweißzusatzwerkstoffe
Es sind allgemein Schweißzusätze der gewünschten Festigkeitsklasse,welche ein verformbares, zähes Schweißgut bilden, z. B.
basisch umhüllte Elektroden, zu wählen. Die Werkstoffe sollten einen möglichst niedrigen Wasserstoffgehalt aufweisen, die
Trocknungs- und Verarbeitungshinweise der jeweiligen Herstellersind zu beachten.
Bei Verschleißbeanspruchung der Naht ist der entsprechende
Bereich mit geeigneten Zusätzen aufzubauen.
Weiteres
Diese Güte wurde mit dem Ziel geringerer CO2 Emissionen während der Herstellung entwickelt. Das Ziel wird durch die Einsparung
von Wärmebehandlungsschritten erreicht, bei gleichzeitig erhöhter Anwendungsperformance.